ET88168802

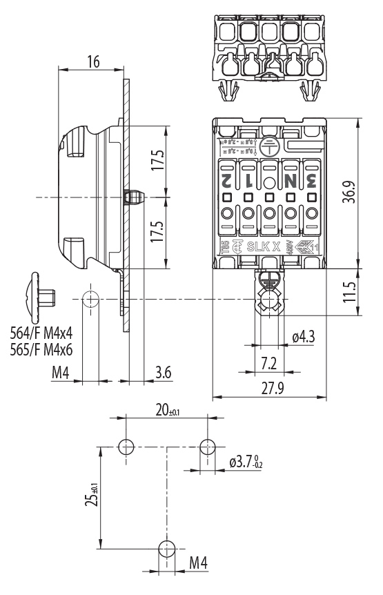
MORSETTO
  • — Corpo in policarbonato bianco/trasparente
  • — Corpo serrafilo in rame stagnato
  • — Connessione di terra in acciaio
Altre informazioni
Attacco
4P+E
Tensione
24A-450V
Potenza
T85
Render
Disegno tecnico
render/componenti_illuminazione/et88168802_p.jpg
2d/componenti_illuminazione/et88168802_d.jpg
100%
Seleziona i file che vuoi scaricare
Sources
Tech files
Invia tramite email
Accedi al tuo account

Recupera password

Non sei ancora registrato? Crea un account

Accedi al tuo account per scaricare i 3D dei nostri prodotti

Non sei ancora registrato? Crea un account

Abilita la funzione download 3d

Per scaricare i 3d accetta l'accordo di segretezza dalla tua area riservata.

Vai al profilo